配件
备件
耗材
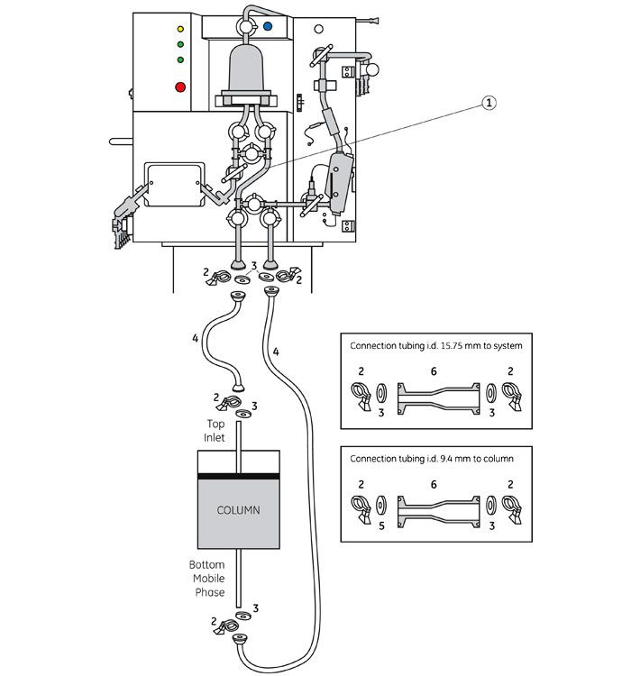
使用 ÄKTA ready(向下流动)运行 AxiChrom 400 和 450 层析柱
| 商品 | 备注 |
|---|---|
| 1 | 流速为 7.5 L/h-510 L/h 时使用的流速套件,高流速套件 28-9301-83。 |
| 2 | TC 卡箍 25 mm,28-9381-90(不锈钢)。层析柱随附 5 个卡箍。 |
| 3 |
TC 垫圈 25 mm 内径15.8 mm,28-9381-88。层析柱随附 5 个垫圈。 TC 垫圈 25 mm 内径15 mm,44-5492-88。流速套件随附 2 个垫圈。 |
| 4 | 有关合适的管路内径,请参阅下表。 |
| 5 | TC 垫圈套件,25 mm,内径9.4 mm,28-9381-87。 |
| 6 | 异径管内径9.4 mm - 内径15.75 mm 28-9381-74。需要 2 个异径管将层析柱连接至系统。 |
要将层析柱与系统隔离,请使用手动隔膜阀,25 mm TC,内径15.75 mm 28-9382-07,或者仅使用盲板法兰 25 mm,包括垫圈 18-1001-25 和 TC 卡箍 25 mm。请确认卡箍和垫圈的包装规格是否符合您的需求。
层析柱管和流速套件连接
| 层析柱 | 层析柱连接管材料 | 层析柱管内径 | 流速套件内径 | TC 连接 |
|---|---|---|---|---|
| AxiChrom 400 | 不锈钢 ASTM 316L | 15.75 mm | 9.4 mm | TC 25 mm |
| AxiChrom 400 | 聚丙烯 (PP) | 14.2 mm | 9.4 mm | TC 25 mm |
| AxiChrom 450 | 不锈钢 ASTM 316L | 15.75 mm | 9.4 mm | TC 25 mm |
| AxiChrom 450 | 聚丙烯 (PP) | 14.2 mm | 9.4 mm | TC 25 mm |
管路
| 管路 | 代码 |
|---|---|
| 管 S-Cor 1/2"(内径 = 12.7),TC25 内径 = 9.4,2000 mm | 28-9381-25 |
| 管 S-Cor 1/2"(内径 = 12.7),TC25 内径 = 9.4,5000 mm | 28-9381-26 |
| 管 U-Cor 3/4"(内径 = 19.1),TC25 内径 = 15.75,2000 mm | 28-9381-27 |
| 管 U-Cor 3/4"(内径 = 19.1),TC25 内径 = 15.75,2000 mm | 28-9381-28 |
购买选项
缺货
询价
缺货
询价
1
缺货
询价
2
缺货
询价
3
缺货
询价
3
缺货
询价
4
缺货
询价
4
缺货
询价
4
缺货
询价
4
缺货
询价
5
缺货
询价
6
缺货
询价
使用 ÄKTA ready(向下流动)运行 AxiChrom 400 和 450 层析柱
| 商品 | 备注 |
|---|---|
| 1 | 流速为 7.5 L/h-510 L/h 时使用的流速套件,高流速套件 28-9301-83。 |
| 2 | TC 卡箍 25 mm,28-9381-90(不锈钢)。层析柱随附 5 个卡箍。 |
| 3 |
TC 垫圈 25 mm 内径15.8 mm,28-9381-88。层析柱随附 5 个垫圈。 TC 垫圈 25 mm 内径15 mm,44-5492-88。流速套件随附 2 个垫圈。 |
| 4 | 有关合适的管路内径,请参阅下表。 |
| 5 | TC 垫圈套件,25 mm,内径9.4 mm,28-9381-87。 |
| 6 | 异径管内径9.4 mm - 内径15.75 mm 28-9381-74。需要 2 个异径管将层析柱连接至系统。 |
要将层析柱与系统隔离,请使用手动隔膜阀,25 mm TC,内径15.75 mm 28-9382-07,或者仅使用盲板法兰 25 mm,包括垫圈 18-1001-25 和 TC 卡箍 25 mm。请确认卡箍和垫圈的包装规格是否符合您的需求。
层析柱管和流速套件连接
| 层析柱 | 层析柱连接管材料 | 层析柱管内径 | 流速套件内径 | TC 连接 |
|---|---|---|---|---|
| AxiChrom 400 | 不锈钢 ASTM 316L | 15.75 mm | 9.4 mm | TC 25 mm |
| AxiChrom 400 | 聚丙烯 (PP) | 14.2 mm | 9.4 mm | TC 25 mm |
| AxiChrom 450 | 不锈钢 ASTM 316L | 15.75 mm | 9.4 mm | TC 25 mm |
| AxiChrom 450 | 聚丙烯 (PP) | 14.2 mm | 9.4 mm | TC 25 mm |
管路
| 管路 | 代码 |
|---|---|
| 管 S-Cor 1/2"(内径 = 12.7),TC25 内径 = 9.4,2000 mm | 28-9381-25 |
| 管 S-Cor 1/2"(内径 = 12.7),TC25 内径 = 9.4,5000 mm | 28-9381-26 |
| 管 U-Cor 3/4"(内径 = 19.1),TC25 内径 = 15.75,2000 mm | 28-9381-27 |
| 管 U-Cor 3/4"(内径 = 19.1),TC25 内径 = 15.75,2000 mm | 28-9381-28 |
购买选项
缺货
询价
缺货
询价
1
缺货
询价
2
缺货
询价
3
缺货
询价
3
缺货
询价
4
缺货
询价
4
缺货
询价
4
缺货
询价
4
缺货
询价
5
缺货
询价
6
缺货
询价
我们正在更新此部分
此产品的相关项目将很快添加。